BMH型电动葫芦半门式起重机是用电动葫芦作起升机构的单梁半门式起重机,适用于在车站、码头、仓库货场、建筑工地、水泥制品场、机械或结构的装配场、电站等露天作业的场地中作起重运输装卸等工作,也适合于在室内车间工作。本起重机的电动葫芦选用CD1型电动葫芦。
一、BMH型半门式起重机特点
半门式设计:底部只设有半门式结构,顶部没有门式结构,因此结构较为简单,安装方便,维护成本较低。
灵活移动:行走机构采用双轮驱动,具有较小的转弯半径,能够在狭窄的场地内自由移动。
大起升高度:起升高度大,能够满足高空作业的需求。
操作简单:控制系统采用电气控制,操作简单、方便,具有远程控制功能。
安全可靠:配备多项安全保护措施,如重载保护、位移保护、限位保护等。
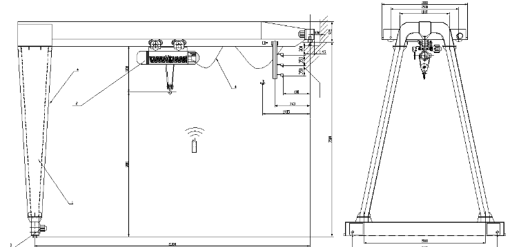
二、BMH型半门式起重机组成
桥架:桥架为双梁箱形结构,主要承载物品的重量和起升机构,顶部设置了起重机滑轮或齿轮,底部有半门式结构,可适应不同高度的物品起升作业。
起升机构:起升机构由电机、减速器、制动器、齿轮等组成,可以精确控制物品的高度,保证起重作业的安全性和精确性。
行走机构:行走机构采用电机驱动双轮,能够实现左右移动,能够在较小的空间内完成物品的行走、定位和卸货等操作。
电气系统:电气系统由控制箱、电机、电缆等组成,能够控制起重机的行走、起升、转向和停止等操作。
三、BMH型半门式起重机工作原理
BMH型半门式起重机的起升机构、行走机构和电气系统都是由电机驱动的。控制系统可通过手动操纵盒、遥控器或计算机等方式实现对起重机的控制和操作。具体工作原理如下:
起升起重机通过电气控制启动电机,驱动起升机构上升或下降。在起升机构下降过程中,控制系统会根据传感器检测到的重量和高度,实时控制电机的转速,保证物品的下降速度稳定、安全,避免因过快的下降速度导致物品损坏或人员伤害。
行走
起重机通过电气控制启动电机,驱动行走机构的双轮前进或后退。当起重机需要转向时,控制系统可通过控制电机的转向,控制双轮前后的差速,从而实现转向操作。同时,行走机构还配备了多项安全保护措施,如位移保护、限位保护等,确保行走操作的安全可靠。
控制系统
BMH型半门式起重机的控制系统采用电气控制,操作简单、方便。通过手动操纵盒、遥控器或计算机等方式实现对起重机的控制和操作。在起升、行走过程中,控制系统会根据传感器检测到的数据,控制电机的转速和方向,从而实现起重机的稳定、安全运行。
四、BMH型半门式起重机应用场合
BMH型半门式起重机适用于各种轻型和中型起重作业,如制造车间、物流园区、码头等场合。由于其结构简单、移动灵活、操作方便等特点,BMH型半门式起重机被广泛应用于以下场合:
制造车间:适用于各种机器设备的安装、维护、搬运等作业,如汽车制造、机械制造、船舶制造等。
物流园区:适用于各种货物的装卸、堆垛、移动等作业,如仓库、港口、货场等。
建筑施工:适用于各种建筑材料的搬运、装卸等作业,如建筑工地、桥梁施工等。
总之,BMH型半门式起重机具有结构简单、移动灵活、成本较低等优点,适用于各种轻型和中型起重作业。通过控制系统的精确控制,起重机能够在保证安全可靠的前提下,完成各种起重作业。
